زیرساخت پایدار برگزاری آزمون آنلاین
www.digiform.ir

آزمون الکترونیک صنعتی شهریور 99 به صورت دیجی فرم

40 دقیقه وقت دارید. وقت باقیمانده سمت چپ بالا به رنگ قرمز مشخص است.

digiform

استفاده از اپلیکیشن ها و پیامرسان ها، پاسخ به تماس ها و استفاده از کلید های پایین موبایل مجاز نیست

زمان تکمیل این آزمون 40 دقیقه میباشد



تایید و ادامه
نام و نام خانوادگی خود را وارد نمایید *



تایید

خازن کوپلاژ چه وظیفه ایی در مدار دارد؟



تایید

مشخصه تقویت کننده امیتر مشترک چیست؟



تایید

فرکانس خروجی مدار یکسوساز نیم موج چند برابر ورودی آن است؟



تایید

NTC چیست؟



تایید

اختلاف فاز تقویت کننده کلکتور مشترک چند درجه است؟



تایید

کدام روش از 1S جهت نامگذاری دیودها استفاده می کند؟



تایید

مقدار مقاومت روبرو چقدر است؟ 6R8J



تایید

عوامل موثر در تعیین ظرفیت یک خازن کدام مورد است؟



تایید

اگر 4 مقاومت 8 كيلو اهمي را با هم موازی كنيم مقاومت معادل چقدر خواهد شد؟



تایید

بهره ی ایده آل یک تقویت کننده عملیاتی چقدر است؟



تایید

جرياني که از مقاومت 6 كيلو اهمی می گذرد چند آمپر است؟
دریافت سوال 11



تایید

ترانس یک به یک چیست؟



تایید

کدام یک از قطعات زیر در صورت جابجا شدن قطب های مثبت و منفی باطری صدمه می بیند؟



تایید

در حالت DC خازن ............... است.



تایید

مقدار خطای مقاومت روبرو چند درصد است؟ 4R7M



تایید

فرکانس ولتاژ DC چند هرتز است؟



تایید

کدام گزینه در مورد آی سی 7909 درست است؟



تایید

مقاومتی که مقدار آن با افزایش ولتاژ کم می‌شود چه نامیده می‌شود؟



تایید

واریستور چیست؟



تایید

مقدار مقاومت با رنگهای سفید - قهوه ای - سبز - نقره ای چقدر است؟



تایید

در مدار زیر ولتاژ بیس ترانزیستور چقدر است؟
دریافت سوال 21



تایید

در مدار زیر ولتاژ امیتر ترانزیستور چقدر است؟
دریافت سوال 22



تایید

در مدار زیر جریان امیتر ترانزیستور چقدر است؟
دریافت سوال 23



تایید

در مدار زیر جریان کلکتور ترانزیستور چقدر است؟
دریافت سوال 24



تایید

در مدار زیر ولتاژ کلکتور ترانزیستور چقدر است؟
دریافت سوال 25



تایید

مقدار مقاومت معادل مدار زیر چقدر است؟
دریافت سوال 26



تایید

مقدار مقاومت معادل مدار زیر چقدر است؟
دریافت سوال 27



تایید

مقدار مقاومت معادل مدار زیر چقدر است؟
دریافت سوال 28



تایید

مقدار مقاومت معادل مدار زیر چقدر است؟
دریافت سوال 29



تایید

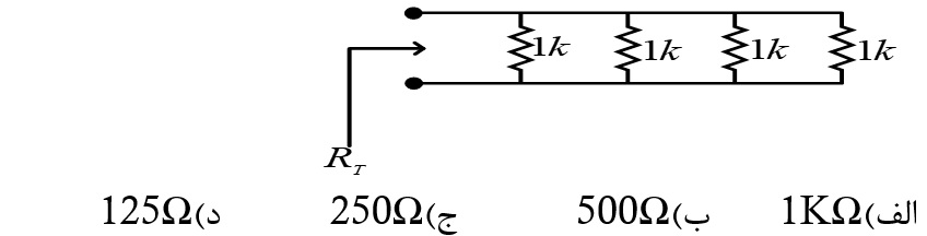
مقدار مقاومت معادل مدار زیر چقدر است؟
دریافت سوال 30



تایید

جریان کل مدار چقدر است؟
دریافت سوال 31



تایید

در مدار زیر جریان مقاومت 1kΩ چقدر است؟
دریافت سوال 32



تایید

ولتاژ هر کدام از مقاومتها چقدر است؟
دریافت سوال 33



تایید

جریان مقاومت 2kΩ چقدر است؟
دریافت سوال 34



تایید

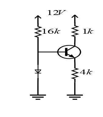
با فرض ایده آل بودن دیود، ولتاژ پایه بیس چقدر است؟
دریافت سوال 35



تایید

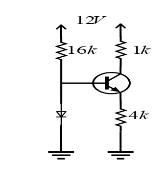
در مدار زیر با فرض ایده آل بودن دیود، ولتاژ پایه امیتر چقدر است؟
دریافت سوال 36



تایید

در مدار زیر با فرض ایده آل بودن دیود، جریان کلکتور چقدر است؟
دریافت سوال 37



تایید

در مدار زیر با وصل کلید چه اتفاقی برای LED می افتد؟
دریافت سوال 38



تایید

مدار زیر چه نوع تقویت کننده ای است؟
دریافت سوال 39



تایید

در مدار قبل با حذف خازن بای پس چه اتفاقی برای بهره ولتاژ مدار می افتد؟
دریافت سوال 40



تایید